Used in casement window.
Material: Zinc Alloy
Surface Treatment: Powder coating/Painting;
Color Options: White/Black/Brown/Golden/Silver;
Loading Capacity: 60 kgs/set
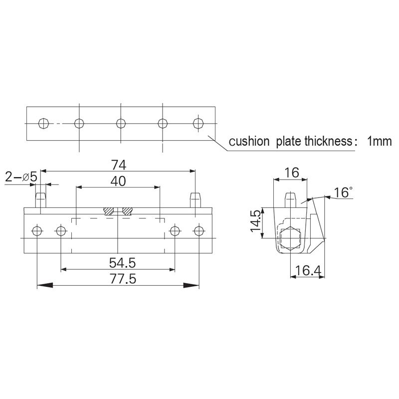
1mm packer will be given, 1pcs each;
Life Time: 25 000 times
1 of 2
This video is hosted by YouTube. By showing the external content you accept the terms and conditions of www.youtube.com.
Remember my choice*
*Your choice will be saved in a cookie until you have closed your browser.