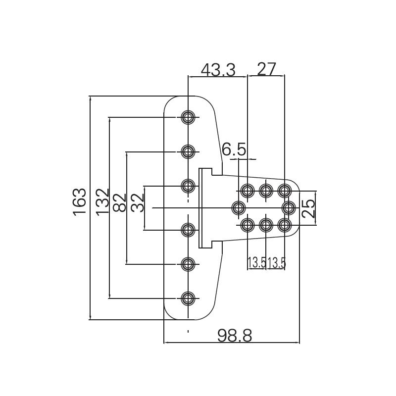
Used for 3D Hinge MJ10050900;
More convenient and quick to drill screw holes on the Upvc profile, greatly improve work efficiency;
Improve the installation accuracy, better ensure the life time of hardware;
1 of 2
This video is hosted by YouTube. By showing the external content you accept the terms and conditions of www.youtube.com.
Remember my choice*
*Your choice will be saved in a cookie until you have closed your browser.